
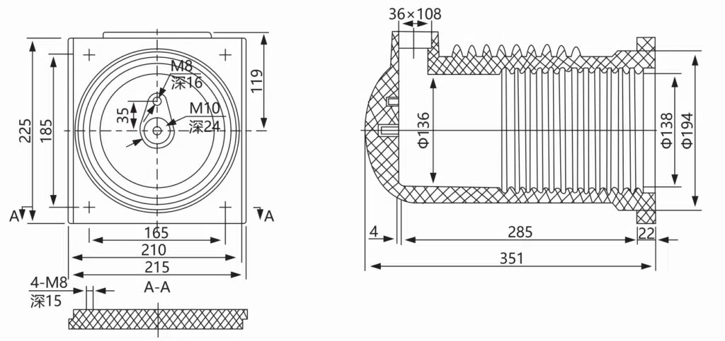
The 24KV CH3-24-225 Epoxy Resin Electrical Reverse contact box is a high-performance electrical component designed for modern industrial applications. Engineered for high-voltage insulation, durability, and safety, this contact box is essential in switchgear systems, providing reliable performance under demanding operational conditions.
Constructed with premium epoxy resin, it ensures excellent dielectric properties, resistance to temperature fluctuations, moisture, and mechanical stress. This guide explores its performance testing, maintenance cycles, after-sales support, and common fault analysis.
| Feature | Specification |
|---|---|
| Rated Voltage | 24KV |
| Product Model | CH3-24-225 |
| Material | Industrial Epoxy Resin |
| Insulation Type | Electrical Reverse Contact |
| Application | high voltage switchgear, Industrial Electrical Systems |
| Operating Temperature | -40°C to +85°C |
| Maintenance | Regular inspection recommended |
The CH3-24-225 contact box offers superior electrical insulation, ensuring safe and efficient operation in high-voltage environments. Its robust epoxy resin construction provides both mechanical strength and chemical stability, reducing maintenance frequency and extending service life.
High-voltage contact boxes undergo strict performance testing to ensure operational reliability. Key tests include:
Dielectric Strength Test
Measures the voltage the contact box can withstand without electrical breakdown. The CH3-24-225 is tested at 24KV and above, confirming compliance with industrial insulation standards.
Insulation Resistance Test
Assesses insulation integrity by measuring resistance between contacts. High resistance values indicate minimal leakage and effective insulation.
Partial Discharge Test
Ensures no partial discharges occur at rated voltages, which could compromise insulation over time.
Mechanical tests verify structural durability:
Impact Resistance Test: Contact box withstands mechanical shocks during installation and operation.
Compression and Flexural Strength Tests: Ensures the epoxy resin maintains integrity under physical loads.
Thermal Cycling Test: Confirms that expansion and contraction from temperature variations do not degrade performance.
Environmental conditions can affect high-voltage components. Tests include:
Humidity Resistance: Evaluates insulation under high-moisture conditions.
Salt Spray Test: Ensures resistance to corrosion in coastal or industrial environments.
UV Exposure Test: Confirms surface and structural stability under prolonged sunlight exposure.
A preventive maintenance schedule is critical to prolong the lifespan of the CH3-24-225 contact box:
Monthly: Visual inspection for cracks, discoloration, or dust accumulation.
Quarterly: Check insulation resistance and mechanical integrity.
Biannual: Perform partial discharge and dielectric strength tests.
Proper cleaning prevents contamination and maintains performance:
Use soft brushes or lint-free cloths to remove dust and debris.
Avoid abrasive cleaners or solvents that could damage the epoxy resin.
Ensure the contact box is de-energized before any cleaning.

While the CH3-24-225 primarily requires inspection rather than lubrication, ensure:
Fasteners are tight and free from corrosion.
Electrical connections are secure to prevent arcing or overheating.
Manufacturers typically offer:
1–3 years warranty depending on operational conditions.
Technical support for installation, troubleshooting, and performance optimization.
Comprehensive manuals include:
Installation guidelines and diagrams
Testing procedures and standards
Maintenance schedules and recommended tools
For extended system longevity:
Manufacturers provide replacement contact boxes compatible with existing switchgear systems.
Upgrade plans include new epoxy resin formulations to improve insulation and mechanical properties.
Cause: Moisture ingress or compromised insulation.
Solution: Dry the contact box, inspect for cracks, and replace if necessary.
Cause: Improper handling during installation or impact during operation.
Solution: Replace damaged components, verify mounting and securing procedures.
Cause: Microscopic voids or surface contamination.
Solution: Clean contact surfaces, perform partial discharge testing, and verify insulation integrity.
Cause: Loose connections, excessive current, or environmental factors.
Solution: Tighten connections, verify load ratings, and ensure proper ventilation around switchgear.
Verify model compatibility with the switchgear system.
Ensure the operational environment meets temperature, humidity, and voltage specifications.
Inspect packaging for damage.
De-energize the system.
Align the CH3-24-225 contact box with the mounting points.
Secure fasteners evenly to avoid stress concentrations.
Connect electrical contacts according to manufacturer diagrams.
Verify dielectric strength and insulation resistance.
Conduct a low-voltage functional test before energizing the system.
Monitor initial operation for temperature stability and mechanical integrity.
Always de-energize systems before installation or maintenance.
Use insulated tools and personal protective equipment (PPE).
Maintain safe distances when performing high-voltage tests.
Follow local electrical safety regulations and manufacturer guidelines.
| Task | Frequency | Description |
|---|---|---|
| Visual Inspection | Monthly | Check for cracks, dust, discoloration |
| Insulation Resistance Test | Quarterly | Ensure high resistance values |
| Partial Discharge Test | Biannual | Detect early-stage insulation issues |
| Mechanical Integrity Check | Quarterly | Inspect fasteners and mounting stability |
| Dielectric Strength Test | Biannual | Verify high-voltage performance |
High Dielectric Strength: Withstands 24KV operational voltage.
Durable Epoxy Resin: Resistant to moisture, corrosion, and UV exposure.
Compact Design: Fits into standard switchgear cabinets.
Stable Electrical Performance: Minimizes leakage and energy loss.
The 24KV CH3-24-225 Epoxy Resin Electrical Reverse Contact Box is a reliable, high-performance component essential for industrial switchgear systems. With proper installation, maintenance, and after-sales support, it ensures safe, efficient, and long-lasting operation. Its superior electrical insulation, durability, and ease of maintenance make it an ideal choice for modern high-voltage applications.
By adhering to the maintenance cycles, cleaning guidelines, and safety precautions outlined in this guide, operators can maximize the lifespan and performance of this contact box while minimizing downtime and operational risks.
Phone: +8613736779975
E-mail: sales@vcbbreaker.com
Address: 66 Punan Road, Yueqing Economic Development Zone, Zhejiang, China
Copyright © 2025 Eberry Electric Group All rights reserved
This website uses cookies to ensure you get the best experience on our website.