
The CH5A-40.5 contact box Heat Sink Epoxy Resin Power Distribution medium voltage switchgear is a specially engineered component used in medium voltage electrical systems. It combines advanced insulation, robust epoxy resin housing, and an integrated heat sink structure to ensure reliable performance in power distribution networks.
This document provides a comprehensive guide covering maintenance requirements, troubleshooting and repair procedures, inspection and testing protocols, and installation instructions. Designed for engineers, procurement professionals, and technical specialists, it also follows Google SEO optimization practices for maximum online visibility.
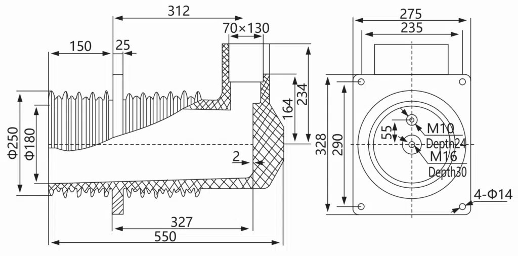
The CH5A-40.5 contact box is designed to support medium voltage switchgear operations, ensuring safe insulation, reliable current conduction, and efficient heat dissipation.
Rated Voltage: 40.5 kV (Medium Voltage)
Epoxy Resin Construction: Ensures superior dielectric strength and mechanical protection.
Heat Sink Integration: Enhances thermal management, preventing overheating.
Compact Structure: Easy installation in switchgear cabinets and power distribution panels.
Durability: Resistant to moisture, dust, chemicals, and environmental stress.
| Parameter | Value | Notes |
|---|---|---|
| Model | CH5A-40.5 | Medium Voltage Switchgear |
| Rated Voltage | 40.5 kV | MV applications |
| Material | Epoxy Resin | High dielectric strength |
| Insulation Resistance | ≥ 1000 MΩ | Stable performance |
| Operating Temperature | -40°C to +85°C | Wide environment adaptability |
| Heat Sink | Integrated | Effective thermal dissipation |
| Installation Method | Fixed Mounting | Cabinet-compatible |
| Maintenance Cycle | Every 6-12 months | Recommended inspection |
| Standards | IEC / GB / ANSI | International compliance |
Proper maintenance ensures long-term stability and extended service life of the CH5A-40.5 contact box.
Keep the contact box clean and free of dust or debris.
Avoid direct exposure to UV light or corrosive environments.
Ensure ventilation within the switchgear to assist heat sink performance.
| Maintenance Task | Frequency | Action |
|---|---|---|
| Visual Inspection | Monthly | Check for cracks, discoloration, or deformation |
| Heat Sink Cleaning | Quarterly | Remove dust and improve airflow |
| Electrical Testing | Semi-Annually | Insulation resistance measurement |
| Fastener Tightening | Semi-Annually | Verify secure mounting and alignment |
| Surface Cleaning | As needed | Use non-abrasive cloth and mild detergent |
Like all electrical components, the CH5A-40.5 contact box may encounter operational issues.
| Fault | Possible Cause | Solution |
|---|---|---|
| Overheating | Blocked airflow, excessive current | Clean heat sink, check load |
| Cracks in Resin | Mechanical stress, aging | Replace damaged unit |
| Electrical Leakage | Moisture ingress, insulation damage | Perform drying and insulation test |
| Loose Connections | Vibration or improper installation | Retighten bolts/nuts |
| Reduced Insulation Resistance | Surface contamination, wear | Clean, test, replace if needed |
Do not attempt high-voltage repairs without qualified technicians.
If cracks are detected, replace the entire unit—do not patch epoxy surfaces.
Always perform an insulation resistance test after repairs.
Use only OEM-approved spare parts for replacements.
Inspection and testing ensure the continued reliability and safety of the CH5A-40.5 contact box.

Epoxy surface free of cracks, burns, or discoloration.
Heat sink clear of dust, debris, and corrosion.
Mounting hardware firmly secured.
Labels and markings visible and legible.
| Test | Equipment | Procedure |
|---|---|---|
| Insulation Resistance | Megger (5kV) | Measure resistance; must be ≥1000 MΩ |
| Contact Resistance | Micro-ohmmeter | Verify low resistance to prevent overheating |
| Thermal Imaging | Infrared Camera | Check for abnormal hot spots |
| Voltage Withstand Test | High-Pot Tester | Ensure dielectric strength meets standard |
Proper installation is critical to ensure safety and performance of the CH5A-40.5 contact box.
Verify rated voltage and compatibility with switchgear.
Inspect the contact box for physical integrity before installation.
Prepare mounting tools, fasteners, and grounding equipment.
Positioning: Place the contact box in the designated compartment of the switchgear.
Mounting: Secure with the provided brackets, bolts, and nuts.
Connection: Align the dual-hole design with corresponding conductors.
Grounding: Ensure proper electrical grounding using provided terminals.
Inspection: Verify correct alignment and clearance distances.
Testing: Conduct insulation resistance and voltage withstand tests.
Only trained personnel should perform installation.
Ensure power supply is disconnected before handling.
Use insulated tools to prevent accidents.
Follow local electrical codes and IEC standards.
Proper packaging prevents damage during transportation and storage.
Each unit is individually packed in reinforced cardboard.
Protected by foam inserts and plastic film.
Boxes labeled with model, voltage rating, and handling instructions.
Store in a dry, ventilated warehouse.
Avoid stacking heavy loads directly on contact boxes.
Maintain temperature range of -10°C to +40°C.
Heat Sink Efficiency: Prevents overheating, extending equipment lifespan.
Epoxy Resin Durability: Provides superior insulation and mechanical strength.
Easy Maintenance: Modular structure allows quick inspection and servicing.
Wide Application Range: Suitable for industrial plants, substations, and commercial networks.
Standards Compliance: Manufactured in accordance with IEC/GB/ANSI certifications.
The CH5A-40.5 Contact Box Heat Sink Epoxy Resin Power Distribution Medium Voltage Switchgear delivers reliable insulation, efficient heat dissipation, and long-term durability. Designed for safe and stable operation in power distribution networks, it ensures superior performance, easy maintenance, and compliance with international standards for medium voltage switchgear systems.
The CH5A-40.5 Contact Box Heat Sink Epoxy Resin Power Distribution Medium Voltage Switchgear is an essential component for modern electrical networks, ensuring insulation safety, efficient heat dissipation, and reliable long-term service. With clear maintenance requirements, troubleshooting methods, inspection protocols, and installation guidelines, it is ideal for industrial, utility, and commercial applications.
Phone: +8613736779975
E-mail: sales@vcbbreaker.com
Address: 66 Punan Road, Yueqing Economic Development Zone, Zhejiang, China
Copyright © 2025 Eberry Electric Group All rights reserved
This website uses cookies to ensure you get the best experience on our website.