The chassis controller provides control and protection for the electric mechanism. It can immediately stop the motor when the motor-driven system encounters a blockage (e.g., improper installation or a jammed mechanism that triggers the protection condition). In such cases, the controller will reverse the motor to release the chassis from the stuck state
Only when the grounding switch and circuit breaker are in the open state is the chassis allowed to be swung in and out. When the chassis is equipped with a manual priority function, under manual operation status, pressing the electric button for swinging in and out will result in no action.
When the chassis is not in the working position or test position under normal conditions, if it needs to be swung into the working position by electric operation, the chassis must first be swung into the test position by manual or electric operation, and then moved to the working position by electric operation.
When manual operation is needed after electric operation, the handle must be inserted and rotated to 800, then reversed by about 30°. If the handle of the chassis cannot be pulled, check whether the angle of the screw rod is in the correct position.
If an emergency stop is needed during the electric operation process, or if a fault is resolved, simply press the reset button.
Power voltage: AC/DC 220V, AC/DC 110V
Rated motor voltage: DC 220V, DC 110V
Allowable motor rated power: Max. 300W
Power consumption: < 2W
Power frequency withstand voltage: AC 2.5kV for 1 minute
Output contact: 1 NO, 3A, AC 250V
Protection class: IP20
Operating ambient temperature: -20°C to +50°C
Dimensions: L * W * H = 125 * 78 * 69 mm
Installation: Door panel installation
Power voltage: AC/DC 220V, AC/DC 110V
Rated motor voltage: DC 220V, DC 110V
Rated motor power: 200W
Rated motor torque: 260 N·m
Motor rotation speed: 50 r/min
The Control Logic
The electric pushing operation is allowed when the interlock signal is satisfied.
During electric operation, when a pushing in/out command is input, the controller will still perform the original operation.
During electric operation, if the pushing in/out button on the panel is pressed simultaneously or the interlock signal is invalid, the controller will stop the operation.
When the locked-rotor protection condition is satisfied, the controller will reverse the mechanism for 200 ms after stopping the mechanism and wait for 15 seconds before swinging in. The locked-rotor protection current setting value is 1.2A, and after 15 seconds, it will be set to 4A. For swinging out, the current is set to 4A for 7 seconds and then to 1.2A.
The electric pushing in/out operation is limited to 80 seconds. If the chassis is not in position within this time, it will stop and trigger an alarm.
The limit switch at contacts 16 and 17 is the S9 and S8 auxiliary switches of the handcart. It only needs to connect the controller contacts to the corresponding contacts of S9 and S8.
During electric operation of the controller, press the reset button if the alarm light remains on.
Pay attention to the correct polarity when wiring the motor.
The system can also be used with the microcomputer protection device when pushing in and out.
There are two modes: local and remote. Only one mode can be active at a time.
When the handcart is not in the first position during electric operation, it must be pushed out to the test position before the electric operation can move it to the working position.

The opening size and installation method are of a standard type. When the input power is AC/DC 110v, please specify in advance

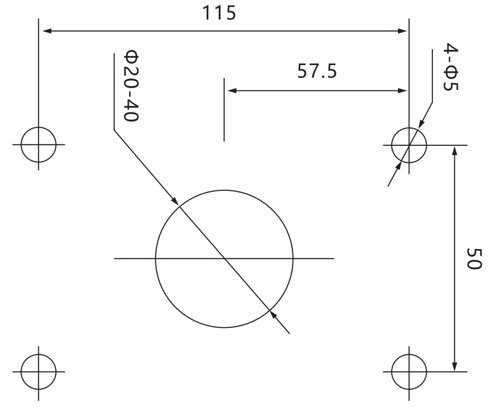
Installation opening size of panel controller
The four Ø5 openings in the figure on the left are the fixed mounting holes for the controller on the panel. The Ø20~40 holes are used to connect the internal cables, allowing them to pass through the controller area without strict machining dimensional tolerance requirements.
To meet the development requirements of power switching devices and the emerging demands of the power sector, we have developed an electric chassis that addresses a domestic gap and has obtained a national invention patent. This electric chassis is an enhanced version of the original 650#, 800#, 100#, and 24KV# series chassis used in center consoles. By incorporating an electric mechanism, it retains the key features of the original chassis while enabling electric operation for both the working and test positions. This eliminates the need to manually switch between electric and manual modes, thus meeting the automated operation requirements of Power Systems.
The DDPC-4-800 chassis truck is a high-performance component designed for KYN28A high voltage switchgear systems, facilitating the secure mounting and withdrawal of VD4 circuit breakers. With integrated earth contact locking, it provides reliable electrical safety during operation and maintenance. Engineered for industrial and utility-scale applications, this chassis truck ensures smooth operation, precise alignment, and long-term durability.
High Voltage Compatibility: Fully compatible with KYN28A switchgear and VD4 circuit breakers, suitable for 12kV and 24kV systems.
Earth Contact Locking: Ensures the grounding of the circuit breaker during insertion and withdrawal, minimizing electrical hazards.
Robust Construction: High-quality steel and precision machining provide stability under heavy-duty operations.
Smooth Mobility: Wheels and guiding rails allow effortless movement during maintenance or replacement procedures.
Precision Alignment: Engineered rails and stops ensure exact positioning of the breaker for reliable electrical connections.
| Specification | Details |
|---|---|
| Product Model | DDPC-4-800 |
| Compatible Switchgear | KYN28A High Voltage Switchgear |
| Breaker Compatibility | VD4 Circuit Breaker |
| Rated Voltage | 12kV / 24kV |
| Earth Contact Type | Mechanical Locking |
| Chassis Material | High-strength Steel |
| Operating Temperature | -25°C to +55°C |
| Dimensions | Customizable per switchgear standard |
| Weight | Approx. 250–300 kg |
| Installation Type | Indoor / Outdoor switchgear compartments |
Proper maintenance ensures optimal performance and prolonged service life. The recommended cycle includes:
Monthly Inspection
Check for wear on wheels and rails.
Inspect earth contact locking mechanism for smooth operation.
Lubricate moving parts to reduce friction.
Quarterly Maintenance
Examine structural components for corrosion or deformation.
Verify alignment stops and locking pins are secure.
Test operational smoothness by inserting and withdrawing the VD4 breaker multiple times.
Annual Check
Full disassembly and inspection of all mechanical parts.
Replace worn components and re-lubricate.
Conduct electrical safety verification ensuring proper grounding through earth contacts.
To ensure safe delivery and storage, the DDPC-4-800 Chassis Truck is shipped with the following packaging standards:
| Packaging Feature | Description |
|---|---|
| Primary Packaging | Reinforced wooden crate with internal cushioning |
| Protective Measures | Anti-corrosion coating, moisture-resistant wrapping |
| Shipping Method | Sea freight, air freight, or land transport |
| Handling Instructions | Avoid tilting beyond 15° during transit |
| Weight per Crate | Approx. 350 kg including packaging |
| Dimensions per Crate | Custom based on switchgear size and chassis model |
| Labeling | Product model, voltage rating, and handling instructions prominently displayed |
| Accessories Included | Spare screws, lubrication kit, and user manual |
The DDPC-4-800 chassis truck comes with comprehensive technical service offerings:
Installation Guidance: Detailed manuals and diagrams for proper alignment with KYN28A switchgear.
Operational Training: Optional on-site training for technicians to ensure safe and efficient breaker handling.
Troubleshooting Support: 24/7 technical hotline for operational issues and guidance.
Spare Parts Supply: Original manufacturer parts available for replacement and maintenance.
Extended Warranty: 12–24 months warranty covering mechanical and operational defects.

Proper installation is critical for safety and performance:
Pre-Installation Check
Confirm chassis dimensions match KYN28A switchgear compartment.
Verify that VD4 breaker is compatible with chassis guide rails.
Positioning the Chassis Truck
Roll chassis into the switchgear compartment using the guide wheels.
Ensure wheels align with predefined tracks for smooth movement.
Earth Contact Locking Setup
Engage mechanical earth contact locking system.
Test by gently inserting VD4 breaker; grounding should be established immediately.
Final Operational Test
Insert and withdraw the VD4 breaker multiple times to verify smooth operation.
Inspect all locking pins and alignment stops for secure fitting.
Scenario: Replacement of aged VD4 breakers in a 12kV distribution substation.
Solution: DDPC-4-800 chassis trucks enabled precise insertion/removal, reducing downtime by 40%.
Outcome: Enhanced safety via earth contact locking, smooth operation, and minimal maintenance issues.
Scenario: Routine inspection of KYN28A switchgear in an industrial facility.
Solution: Using the chassis truck allowed safe, efficient breaker withdrawal for inspection.
Outcome: Reduced risk of electrical accidents and improved operational efficiency.
Scenario: Installation of new switchgear in a high-voltage utility grid.
Solution: Chassis trucks provided secure mounting and precise positioning for VD4 breakers.
Outcome: Streamlined installation process and reliable grounding during setup.
Trouble: Chassis wheels jam or do not move smoothly
Solution: Lubricate wheel axles and check for debris in guide rails.
Trouble: Earth contact locking fails to engage
Solution: Inspect locking pins and springs; replace damaged parts if necessary.
Safety Guidelines:
Always wear insulated gloves when handling high-voltage equipment.
Ensure chassis truck is fully grounded before operating the VD4 breaker.
Do not exceed recommended tilt angles during transport or installation.
The DDPC-4-800 chassis truck is manufactured in compliance with:
IEC 62271-200 for high voltage switchgear components.
ISO 9001 quality management certification.
RoHS compliance ensuring environmentally safe materials.
Anti-corrosion and long-life materials reducing environmental impact.
The DDPC-4-800 Chassis Truck is an essential tool for KYN28A high voltage switchgear systems, providing safety, precision, and efficiency during VD4 breaker installation, maintenance, and operation. With comprehensive technical support, robust construction, and advanced earth contact locking, it ensures reliable performance across industrial and utility-scale applications.
Phone: +8613736779975
E-mail: sales@vcbbreaker.com
Address: 66 Punan Road, Yueqing Economic Development Zone, Zhejiang, China
Copyright © 2025 Eberry Electric Group All rights reserved
This website uses cookies to ensure you get the best experience on our website.