
The CH7-12 12KV Epoxy Resin contact box is a high-performance electrical component designed for medium and high voltage switchgear systems. Combining robust epoxy resin insulation with precise electrical connectivity, this contact box ensures long-term reliability, safety, and operational efficiency.
This comprehensive guide provides engineers, technicians, and procurement specialists with detailed information on installation, operation, maintenance, troubleshooting, and safety guidelines. It is structured to support website content, B2B catalogs, and technical documentation while following Google SEO best practices.
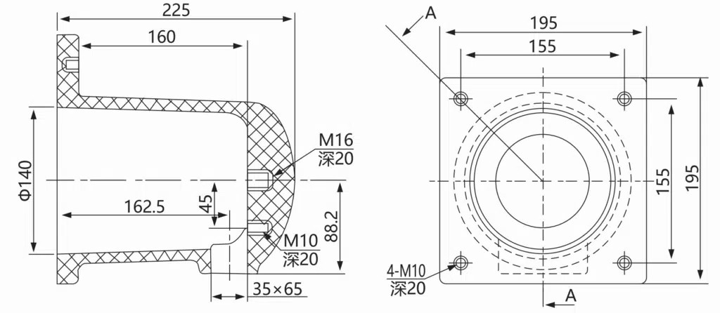
The CH7-12 Contact Box is engineered to meet stringent electrical and mechanical requirements:
Voltage Rating: 12KV suitable for medium and High Voltage systems.
Material: High-grade epoxy resin ensuring superior insulation and durability.
Design: Compact, lightweight, and compatible with standard switchgear panels.
Safety Features: Resistant to thermal stress, vibration, and environmental factors.
Efficiency: Minimal electrical losses with high conductivity connections.
| Feature | Specification | Benefit |
|---|---|---|
| Rated Voltage | 12KV | Safe Operation in medium and high voltage circuits |
| Insulation Material | Epoxy Resin | High dielectric strength and long-term durability |
| Operating Temperature | -40°C to +120°C | Reliable under extreme conditions |
| Mechanical Strength | IEC 62271 Compliant | Resistant to vibration and mechanical stress |
| Dimensions | 140 x 110 x 75 mm | Compact, easy to install |
| Connection Type | Standard terminals | Secure and flexible connections |
| Weight | 1.6 kg | Lightweight and easy to handle |
The CH7-12 12KV Epoxy Resin Contact Box is suitable for multiple sectors:
Provides reliable connectivity for machinery and power distribution in factories and production plants.
Ensures safe and stable operation of medium and high voltage switchgear systems.
Supports electrical infrastructure in offices, hospitals, shopping centers, and high-rise buildings.
Compatible with solar, wind, and hydroelectric power installations.
Used in railways, subways, and other transportation infrastructure requiring high-voltage switchgear connectivity.

Proper installation is essential for safe and effective operation.
Inspection: Check the contact box for physical damage, cracks, or dust.
De-Energization: Ensure all switchgear systems are fully powered down.
Tools Required: Screwdrivers, torque wrenches, and insulating gloves.
Safety Gear: PPE including gloves, goggles, and protective clothing.
Align the Contact Box: Place the CH7-12 accurately within the designated mounting area on the switchgear panel.
Connect Terminals: Secure conductors to terminals using the recommended torque settings.
Check Connections: Ensure all connections are tight and free from corrosion or debris.
Test Insulation: Use a megohmmeter to verify insulation resistance before energizing.
Power On: Once all checks are complete, energize the system and monitor performance.
Avoid over-tightening screws which may damage epoxy resin insulation.
Keep terminals and surrounding areas clean for optimal conductivity.
Verify polarity and system compatibility prior to final installation.
Proper operation ensures longevity and performance of the CH7-12 Contact Box:
Load Management: Do not exceed the rated current or voltage specifications.
Environmental Protection: Avoid exposure to moisture, corrosive substances, and direct sunlight.
Regular Monitoring: Check for unusual heat, noise, or vibration during operation.
Emergency Shutdown: Know the system isolation and emergency protocols.
Regular maintenance is critical for safety and long-term performance.
| Task | Frequency | Notes |
|---|---|---|
| Visual Inspection | Monthly | Check for cracks, discoloration, or contamination |
| Terminal Torque Check | Quarterly | Ensure all connections are secure |
| Insulation Resistance Test | Every 6 months | Use a megohmmeter for verification |
| Cleaning | Monthly or as needed | Use soft brush or compressed air; avoid chemicals |
| Full Inspection | Annually | Comprehensive check of electrical and mechanical integrity |
Cleaning: Remove dust and debris with soft brushes or compressed air.
Torque Verification: Ensure terminal screws meet manufacturer torque specifications.
Electrical Testing: Conduct insulation resistance and continuity tests.
Replacement: Replace damaged components immediately to prevent system failure.
Environmental Protection: Apply protective coatings in high-humidity or corrosive areas.
Effective troubleshooting ensures minimal downtime:
| Problem | Possible Cause | Solution |
|---|---|---|
| Sparking or Arcing | Loose connections | Tighten terminals; inspect wires |
| Overheating | Excessive current | Reduce load; verify heat dissipation |
| Insulation Damage | Physical impact or aging | Replace contact box immediately |
| Electrical Noise | Poor contact resistance | Reconnect and tighten terminals |
| Corrosion | Moisture exposure | Clean and apply protective coating |
Working with high-voltage equipment requires strict adherence to safety protocols:
PPE: Always wear insulating gloves, protective clothing, and goggles.
De-Energization: Ensure switchgear systems are completely powered down before any work.
Qualified Personnel: Only trained technicians or engineers should handle the CH7-12 Contact Box.
Insulated Tools: Use tools rated for high-voltage applications.
Emergency Procedures: Familiarize with shutdown and isolation protocols.
A: Yes, but protective enclosures are recommended to prevent environmental damage.
A: Up to 250A depending on load conditions and system design.
A: Monthly visual inspections, quarterly torque checks, and semi-annual insulation tests.
A: Reduce load, inspect terminals, and ensure proper ventilation. Replace if necessary.
A: CH7-12 meets IEC 62271 and other international switchgear component standards.
Reliable Electrical Connectivity: High-quality epoxy resin ensures safe and stable operation.
Durable Construction: Resistant to vibration, thermal stress, and mechanical impact.
Maintenance-Friendly: Easy cleaning, inspection, and replacement of components.
Quick Installation: Compact design and standard terminals facilitate fast setup.
High Safety Standards: Complies with international electrical and mechanical standards.
Long Service Life: Provides consistent performance over years of operation.
Customers consistently praise the CH7-12 12KV Epoxy Resin Contact Box for its reliability, ease of installation, and durability:
Industrial Users: Highlight long-term stability under heavy-load conditions.
Utility Providers: Appreciate safe operation and minimal maintenance requirements.
Commercial Installations: Value compatibility with standard switchgear and straightforward installation.
Testimonial:
"The CH7-12 Epoxy Resin Contact Box has been integral to our medium voltage systems. Its robust insulation and reliable connectivity have minimized downtime and simplified maintenance." – Electrical Engineer, Industrial Facility
The CH7-12 12KV Epoxy Resin Contact Box is a high-quality, reliable component suitable for medium and high voltage switchgear systems. By adhering to proper installation, operational guidelines, and maintenance procedures, users can achieve:
Stable and secure electrical connectivity
Long-term durability and safety
Reduced operational downtime
Compliance with international standards
Its compact design, epoxy insulation, and maintenance-friendly features make CH7-12 ideal for industrial, commercial, and utility applications, ensuring high performance and reliability.
Phone: +8613736779975
E-mail: sales@vcbbreaker.com
Address: 66 Punan Road, Yueqing Economic Development Zone, Zhejiang, China
Copyright © 2025 Eberry Electric Group All rights reserved
This website uses cookies to ensure you get the best experience on our website.