
The CH9-12-256 Dual Hole contact box with Integrated Heat Sink is a premium electrical component designed for high and medium voltage switchgear systems. Engineered to combine reliable dual-hole connectivity with an efficient integrated heat sink, this contact box ensures safe, durable, and high-performance operation in industrial, commercial, and utility applications.
This comprehensive guide covers product specifications, usage precautions, common questions, and customer feedback, providing users and engineers with in-depth information for proper selection, installation, and maintenance.
The CH9-12-256 is built to meet demanding electrical and thermal requirements. Its integrated heat sink enhances heat dissipation, preventing overheating during high-current operations. Key features include:
12KV Voltage Rating: Supports high and medium voltage systems.
Dual-Hole Design: Ensures secure and flexible installation.
Integrated Heat Sink: Maintains thermal stability under heavy load.
Durable Insulation Material: Provides long-term electrical safety.
Switchgear Compatibility: Compatible with standard high and medium voltage panels.
| Feature | Specification | Benefit |
|---|---|---|
| Voltage Rating | 12KV | Safe Operation in High Voltage systems |
| Connection Type | Dual Hole | Reliable and flexible installation |
| Heat Dissipation | Integrated Heat Sink | Prevents overheating and enhances efficiency |
| Insulation Material | High-Grade Epoxy Resin | Superior dielectric strength and durability |
| Operating Temperature | -40°C to +120°C | Suitable for extreme environmental conditions |
| Mechanical Strength | IEC 62271 compliant | Resistant to vibration and mechanical stress |
The CH9-12-256 Contact Box is suitable for a wide range of applications:
Used in factories and plants for stable power distribution and high-voltage connectivity.
Ensures safe operation of medium and high voltage switchgear in electrical substations.
Ideal for office complexes, hospitals, and shopping centers requiring reliable electricity.
Applied in solar farms and wind power installations to maintain efficient energy transmission.
Supports high-voltage switchgear in railways, subways, and transport networks.

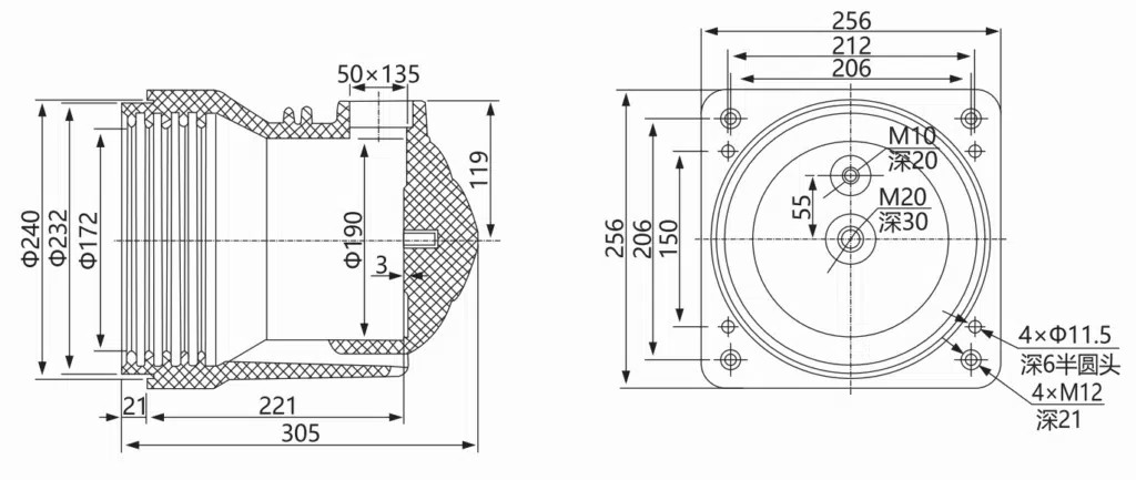
A detailed technical specification table is essential for engineers and procurement teams:
| Parameter | Specification | Notes |
|---|---|---|
| Model | CH9-12-256 | Dual Hole Contact Box with Heat Sink |
| Rated Voltage | 12KV | Suitable for medium and high voltage circuits |
| Rated Current | Up to 250A | Depends on switchgear configuration |
| Insulation Material | Epoxy Resin | Ensures high dielectric strength |
| Thermal Conductivity | 1.5 W/m·K | Integrated heat sink dissipates heat efficiently |
| Operating Temperature | -40°C to +120°C | Reliable in extreme environments |
| Mechanical Compliance | IEC 62271 | Tested for vibration and mechanical stress |
| Connection Type | Dual-Hole | Easy installation in panels or busbars |
| Dimensions | 150x120x80 mm | Standard for switchgear integration |
| Weight | 1.8 kg | Compact and easy to handle |
Proper handling and usage ensure long-term performance and safety:
Pre-Installation Inspection:
Check for cracks, dust, or contamination on the contact box.
Verify that the switchgear system is fully de-energized before installation.
Installation Safety:
Align the dual-hole terminals precisely with the busbar or panel mounting points.
Tighten screws and bolts according to manufacturer specifications.
Avoid over-tightening, which may damage the epoxy resin or terminals.
Operational Guidelines:
Do not exceed the rated voltage or current.
Avoid exposure to moisture, chemicals, or extreme mechanical shock.
Monitor for unusual heating or electrical arcing during operation.
Maintenance Recommendations:
Perform regular visual inspections and cleaning.
Check terminal torque and insulation resistance periodically.
Replace damaged components immediately to prevent system failure.
A: Yes. The epoxy resin insulation and integrated heat sink allow the contact box to operate reliably in outdoor conditions, though protective enclosures are recommended for extreme weather.
A: The contact box supports currents up to 250A, depending on the system design and load conditions.
A: A monthly visual inspection is recommended, with quarterly torque checks and semi-annual insulation resistance testing.
A: Yes. The heat sink is designed to dissipate heat efficiently, maintaining thermal stability during continuous operation.
A: The product meets IEC 62271 standards for medium and high voltage switchgear components.
A: Yes, the dual-hole design is compatible with most medium and high voltage switchgear systems.
A: Use dry brushes or compressed air. Avoid abrasive cleaners or chemicals that may damage the epoxy resin.
A: Immediately reduce load, inspect connections, and ensure the heat sink is not obstructed. Replace the unit if necessary.
A: With proper installation and maintenance, the CH9-12-256 can last 10+ years in industrial and utility applications.
A: Yes. Technical support teams are available to assist with installation, troubleshooting, and maintenance guidance.
Customers have highlighted the reliability, thermal efficiency, and ease of installation of the CH9-12-256 Contact Box:
Industrial Plants: Report consistent performance in heavy-load environments with minimal downtime.
Utility Companies: Appreciate integrated heat sink design, reducing thermal stress and extending lifespan.
Commercial Users: Value easy dual-hole installation and compatibility with existing switchgear panels.
Sample Testimonial:
"The CH9-12-256 Dual Hole Contact Box with Heat Sink exceeded our expectations. Installation was straightforward, and the heat sink effectively manages high current loads. A highly reliable component for our medium voltage systems." – Electrical Engineer, Renewable Energy Plant
| Issue | Possible Cause | Recommended Solution |
|---|---|---|
| Overheating | Excessive current or blocked heat sink | Reduce load; ensure heat sink airflow |
| Sparking/Arcing | Loose connections | Tighten dual-hole terminals; inspect conductors |
| Insulation Damage | Physical impact or aging | Replace contact box immediately |
| Electrical Noise | Poor contact resistance | Test terminals and secure connections |
| Corrosion | Moisture exposure | Clean and apply protective coating |
Working with high and medium voltage components requires strict adherence to safety standards:
Personal Protective Equipment (PPE): Insulating gloves, protective clothing, and goggles are mandatory.
De-Energization: Always ensure the switchgear system is powered down before installation or maintenance.
Qualified Personnel Only: Only trained technicians or engineers should perform work on the contact box.
Insulated Tools: Use tools rated for high-voltage operations.
Emergency Procedures: Ensure personnel are familiar with system isolation and shutdown protocols.
Dual-Hole Design: Ensures secure installation and flexible wiring options.
Integrated Heat Sink: Efficient thermal management under continuous load.
High-Quality Insulation: Prevents electrical faults and ensures long-term safety.
Durable Construction: Resistant to mechanical stress, vibration, and environmental factors.
Maintenance-Friendly: Easy inspection, cleaning, and replacement of parts.
Global Standard Compliance: Meets IEC 62271 and international switchgear standards.
Long Lifespan: Designed for reliable performance in industrial and utility applications.
The CH9-12-256 Dual Hole Contact Box with Integrated Heat Sink is a high-quality component ideal for high and medium voltage switchgear systems. Its dual-hole connectivity, integrated thermal management, and durable construction provide:
Reliable electrical performance
Efficient heat dissipation
Safe operation under demanding conditions
Compatibility with standard switchgear layouts
Long-term durability with minimal maintenance
Proper installation, regular inspection, and adherence to safety guidelines ensure optimal performance and extended service life, making CH9-12-256 a trusted choice for industrial, commercial, and utility applications.
Phone: +8613736779975
E-mail: sales@vcbbreaker.com
Address: 66 Punan Road, Yueqing Economic Development Zone, Zhejiang, China
Copyright © 2025 Eberry Electric Group All rights reserved
This website uses cookies to ensure you get the best experience on our website.