
The vacuum circuit breaker (VCB) tulip contact EB-5-1250A (30 pieces) is a high-quality switchgear accessory designed for medium- and high-voltage industrial applications. As a critical electrical component, it ensures stable conduction, low resistance, and mechanical reliability for Vacuum Circuit Breakers, which are widely used in power distribution systems, industrial plants, and critical infrastructure.
This article covers common issues, maintenance techniques, cleaning methods, core advantages, and other essential details, optimized for Google SEO, suitable for engineers, procurement managers, and industrial buyers.
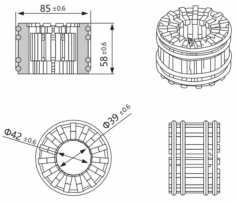
The EB-5-1250A tulip contact set includes 30 pieces, engineered for high-current applications. Its tulip finger spring design provides uniform contact pressure, high conductivity, and excellent arc resistance.
| Parameter | Value |
|---|---|
| Model | EB-5-1250A |
| Quantity per Set | 30 Pieces |
| Rated Current | 1250A |
| Rated Voltage | Up to 24kV |
| Material | Copper alloy with silver plating |
| Contact Resistance | ≤ 50 µΩ |
| Mechanical Life | ≥ 10,000 operations |
| Application | VCB Switchgear, Industrial High Voltage |
High-Conductivity Material – Silver-plated copper ensures minimal contact resistance.
Tulip Finger Design – Multiple spring fingers for even pressure distribution.
Arc Resistance – Optimized for frequent switching under high-voltage conditions.
Thermal Stability – Maintains performance during continuous load and short-circuit conditions.
Industrial Compatibility – Suitable for a wide range of VCB switchgear models.
Low-resistance contact for efficient current flow.
Silver-plated surface resists oxidation and corrosion.
Maintains conductivity under high-load and surge conditions.
Tulip spring design accommodates mechanical stress and vibration.
Supports 10,000+ operational cycles without degradation.
High-quality materials and design reduce inspection frequency.
Prevents arc faults and overheating, lowering operational downtime.
Maintains stable contact pressure for reliable switching.
Minimizes the risk of system failures in industrial applications.
Suitable for industrial plants, substations, renewable energy installations, and critical infrastructure requiring high-voltage switchgear.
Despite their durability, VCB tulip contacts can experience issues over time. Recognizing these problems early ensures system reliability.
| Issue | Possible Cause | Solution |
|---|---|---|
| Elevated Contact Temperature | Poor alignment or oxidation | Inspect contact alignment, clean surfaces, apply conductive grease |
| Arc Marks or Pitting | Frequent switching under overload | Replace contacts, ensure proper breaker operation |
| Increased Contact Resistance | Wear or erosion of silver plating | Measure resistance, replace if exceeding 50 µΩ |
| Mechanical Looseness | Spring fatigue or bolt loosening | Adjust spring tension, tighten bolts per torque specs |
| Vibration Noise | Loose contacts or misalignment | Inspect installation, secure components |
Regular maintenance prolongs the life of the EB-5-1250A tulip contacts and ensures Safe Operation.
| Interval | Action |
|---|---|
| Every 6 months | Visual inspection for wear, discoloration, or deformation |
| Every 12 months | Measure contact resistance and check torque of fixing bolts |
| Every 24 months | Clean contacts, reapply conductive grease, inspect springs |
| Every 48 months | Replace contacts if excessive wear or resistance increase is detected |
Always isolate the circuit before performing maintenance.
Avoid abrasive cleaning materials to protect silver plating.
Record all maintenance activities for reference.
Proper cleaning ensures low resistance and long operational life.

Power Off: Ensure VCB is completely de-energized.
Surface Inspection: Check for oxidation, debris, or arcing marks.
Cleaning Material: Use a lint-free cloth and isopropyl alcohol. Avoid abrasive brushes.
Reapplication of Conductive Grease: Apply a thin layer to enhance conductivity and reduce wear.
Alignment Check: Verify proper alignment before reassembling.
Always wear insulated gloves and follow safety protocols.
Avoid direct contact with live components.
Ensure cleaned surfaces are completely dry before re-energizing.
Step-by-step manuals provided by manufacturers.
Correct torque values for fixing bolts.
Alignment verification to prevent misoperation.
Use micro-ohmmeter to measure contact resistance.
Check thermal performance during operation.
Identify arc marks and erosion early.
Inspect spring tension and mechanical stability.
Replace contacts exceeding 50 µΩ resistance.
Maintain a set of 30 spare pieces on-site.
Store in a dry, dust-free environment to protect silver plating.
Temperature Range: -25°C to +45°C
Relative Humidity: ≤ 90% at 25°C
Altitude: ≤ 1000 meters (derating above)
Pollution Level: Class II–III
Proper alignment of moving and fixed contacts.
Bolts tightened to recommended torque.
Avoid mechanical stress during handling.
Isolate and de-energize the VCB.
Remove old tulip contacts carefully.
Clean all mating surfaces.
Install EB-5-1250A contacts ensuring alignment.
Secure bolts with correct torque.
Verify contact resistance before energizing.
Substations and switchgear in medium- and high-voltage networks.
Steel, chemical, and mining facilities requiring high-current reliability.
Solar farms, wind Power Systems for stable grid integration.
Airports, metro systems, and data centers requiring continuous power supply.
IEC 62271-100: Complies with high-voltage switchgear standards.
ISO 9001: Certified quality management system.
RoHS Compliance: Environmentally safe materials.
Testing includes:
Contact resistance measurement
High-current thermal test
Mechanical endurance cycle testing
Quantity: 30 pieces per box
Shock-proof packaging for safe transport
OEM/Custom packaging available for large orders
Reliable Electrical Performance: Low resistance, high conductivity
Durable Design: Tulip spring fingers withstand mechanical stress
Reduced Maintenance: Long inspection intervals
Ease of Installation: Quick replacement and alignment
Versatile Applications: Industrial, substation, and renewable energy use
The Vacuum Circuit Breaker Tulip Contact EB-5-1250A (30 pieces) is a critical high-voltage switchgear component. Its robust design, high conductivity, and long service life ensure reliable operation in industrial applications, substations, and renewable energy systems. Proper maintenance, cleaning, and inspection further extend its lifespan, delivering consistent performance and safety across demanding electrical environments.
Phone: +8613736779975
E-mail: sales@vcbbreaker.com
Address: 66 Punan Road, Yueqing Economic Development Zone, Zhejiang, China
Copyright © 2025 Eberry Electric Group All rights reserved
This website uses cookies to ensure you get the best experience on our website.